Surface protection of highest quality. Perfect appearance during the entire lifetime.
Surface protection of highest quality. Perfect appearance during the entire lifetime.
- High user friendliness due to radio remote control
- More efficiency with fly-jib due to DPS-P
- Increased comfort and safety due to Soft Stop
- Additional applications with Power Link Plus
- Very stiff and light boom system thanks to P-Profile
Experience The Product Features






Product features
PALFINGER has added two more useful component helpers to its equipment portfolio. The new Installation Tips were specially developed for heavy-duty Loader Cranes with P-Profile and score with their maximum load capacity of up to 20 tons.
- The crane components are cleaned of all impurities by means of cut steel shot blasting.
- The components are degreased, rinsed, activated and coated with zinc phosphating in the individual immersion tanks.
- After two additional rinsing processes, the surfaces are passivated as well as rinsed with ultra-pure water.
- The electrostatic cathodic dip painting follows by immersing the crane components completely in the paint.
- Excess paint is washed off in two additional operations with an ultra-filtration rinse.
- Afterwards, the paint is cured at a temperature of 115 degrees for 1.5 hours.
- At the end, the crane components are given a water-soluble, environmentally friendly two-component finish coat of paint by a painting robot.

Paltronic 50
PRODUCT FEATURES
With the PALTRONIC 50 and PALTRONIC 150, PALFINGER offers the latest control electronics for the series production crane. The most important safety and comfort functions include:
- overload cut-off
- stability control (HPSC)
- High Power Lifting System (HPLS)
- Active Oscillation Suppression system (AOS)
- Dual Power System plus (DPS plus) in the fly jib insert
HOW IT WORKS
The PALTRONIC controls and monitors the crane.
- Pressure sensors on the cylinders send information on the capacity utilisation of the crane to the PALTRONIC.
- Position sensors send information on the position of the boom system, the slewing gear or the stabilizer support to the PALTRONIC. Based on the incoming signals, the PALTRONIC decides on shutting down or activating systems.

HPSC
PRODUCT FEATURES
The High Performance Stability Control (HPSC) is a fully proportional system for monitoring the stability of the crane vehicle. Sensors for proportional path measurement in the stabilizer supports permit completely variable support positioning. Hence, the permissible, safe working range can be calculated for any support situation.
HOW IT WORKS
The HPSC system calculates the permissible working range for any slewing angle of the boom system and for any support situation. The position of the stabilizer support is detected by means of a cable extension transducer or magnetostrictive position sensor. Based on the intelligent calculation algorithm developed by PALFINGER, it works more efficiently than comparable systems that are available in the market.

AOS
PRODUCT FEATURES
The patented PALFINGER “AOS” oscillation suppression system cancels out vibrations and blows that occur during crane operation. Any “post-oscillation” is prevented through rapid braking or load changes. The result is a decisive increase to safety in crane operation for employees, the load and building.
HOW IT WORKS
The electronics receive signals from pressure sensors on both sides of the elevating cylinder and interpret them as arm vibrations. The signals for the counter-movement of the elevating cylinder are handled by the control valve. The incurred vibration can be cancelled through the exactly determined frequency and wavelength. The result is damping of the arm to just one or two short vibrations so that the arm comes to an immediate standstill.
* Optional feature/country-specific-equipment

Radio Remote Control
PRODUCT FEATURES
Today, radio remote controls are often considered to be standard equipment when it comes to modern loader cranes. PALFINGER radio remote controls are equipped with a choice of a linear lever or cross lever and provide the greatest possible comfort of the operator. For cranes with PALTRONIC an LCD graphic display or 4.1 inch TFT- colour display informs the crane operator of the different operating conditions.
HOW IT WORKS
The remote control console (transmitter) is responsible for transmitting the commands made on the levers to the receiver. The receiver forwards the signals to the electronics, which convert them into crane movements by means of hydraulic control valves.
*Optional feature/country-specific-equipment

DPS Plus
PRODUCT FEATURES
The Dual Power System (DPS Plus) makes it possible to use the full lifting power of the fly-jib through the use of two pressure ranges on the fly-jib. With it the full lifting power of the fly jib can be used also for crane-jib combinations with a very long outreach if the crane’s extension boom is not completely extended.
HOW IT WORKS
The fly-jib can also be operated with two pressure ranges through the use of a special electronic overload cut-off. If the last extension boom of the crane is extended (normal operation), then the lifting power is reduced to protect the crane against overloading. If the last extension boom of the crane is retracted (DPS Plus active), then the system switches automatically to the high pressure range thereby using the full lifting power of the fly-jib.
* Optional features/country-specific-equipment

Technical Data
| Max. lifting moment | 33.5 mt |
| Max. lifting capacity | 10000 kg |
| Max. hydraulic outreach | 21.8 m |
| Max. outreach (with fly jib) | 32.2 m |
| Slewing angle | 408° |
| Slewing torque | 3.5 mt |
| Stabilizer spread (std) | 5.6 m |
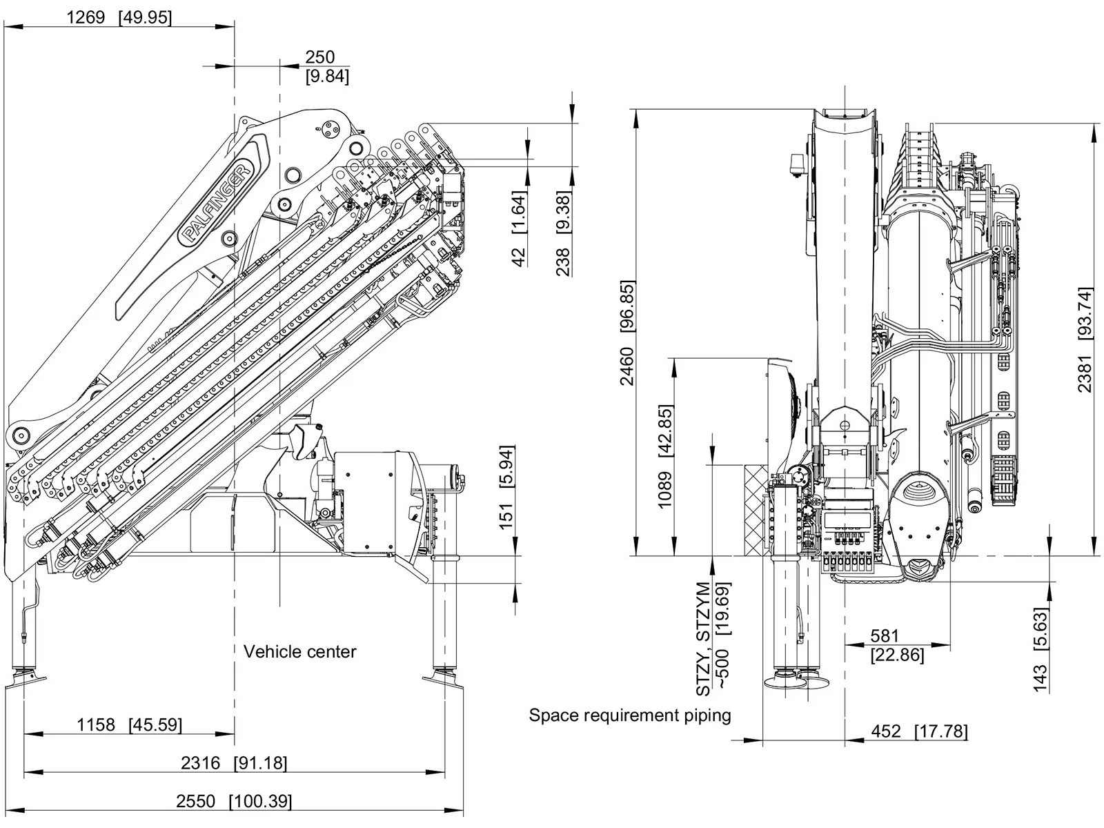
| Width folded | 2.55 m |
| Fitting space required (std) | 1.25 m |
| Max. operating pressure | 370 bar |
| Pump capacity | 90-120 l/min |
| Dead weight (std) | 2900 kg |
Cranes shown in the leaflet are partially optional equipped and do not always correspond to the standard version.
Country-specific regulations must be observed. Dimensions may vary. Subject to technical changes, errors and translation mistakes.
(mt) | (m) | (°) | (mt) | (MPa) | (l/min) | (kg) | (mm) | (mm) | (mm) | |
| A | 32.6 | 8.1 | 408 | 3.5 | 37 | 90-120 | 2900 | 2460 | 2550 | 1130 |
| B | 32 | 10.3 | 408 | 3.5 | 37 | 90-120 | 3090 | 2460 | 2550 | 1130 |
| C | 31.5 | 12.5 | 408 | 3.5 | 37 | 90-120 | 3280 | 2460 | 2550 | 1130 |
| D | 30.9 | 14.7 | 408 | 3.5 | 37 | 90-120 | 3460 | 2460 | 2550 | 1130 |
| E | 30.3 | 17.1 | 408 | 3.5 | 37 | 90-120 | 3640 | 2460 | 2550 | 1130 |
| F | 29.7 | 19.5 | 408 | 3.5 | 37 | 90-120 | 3810 | 2460 | 2550 | 1245 |
| G | 39.4 | 21.8 | 408 | 3.5 | 37 | 90-120 | 3920 | 2460 | 2550 | 1245 |
The outreaches stated are with a boom angle of 20° and are therefore not the maximum. When using mechanical boom extensions, the loads shown on the charts need to be reduced by the weight of these extensions.













